陶坛吸附葡萄酒常见异嗅化合物研究

师戈图,陈启鸣,韩承旭,徐岩,唐柯*

(江南大学,工业生物技术教育部重点实验室,酿造微生物学与应用酶学研究室,江苏 无锡,214122)

摘 要 该研究通过对3种不同贮存容器(中国陶坛、不锈钢罐、法国橡木桶)陈酿葡萄酒后化学与感官变化分析,揭示了陶坛在降低葡萄酒异嗅气味方面的优势。结果显示,陶坛陈酿显著降低了葡萄酒中2-异丙基-3-甲氧基吡嗪、3-异丁基-2-甲氧基吡嗪、1-辛烯-3-酮、4-乙基愈创木酚、双乙酰、乙偶姻、乙酸、乙醛的含量,并在感官上有效减少了生青、醋酸、馊饭和酚类气味,同时增强了果香。经扫描电镜检测验证,陶坛存在可以提供吸附位点的孔隙结构。该研究为陶坛在葡萄酒陈酿中的应用及葡萄酒风味改良提供了科学依据,并为葡萄酒新型陈酿容器的开发提供参考借鉴。

关键词 葡萄酒;陶坛;异嗅;吸附;感官

在葡萄酒中,异嗅通常指偏离葡萄酒固有香气、味道和风格的不协调风味,从而引发消费者不愉快的心理反应[1]。这种异嗅对葡萄酒的品质是极其不利的,从而影响葡萄酒的消费选择[2]。葡萄酒中常见的异嗅包括土壤、霉菌和软木塞的气味[3]。如灰霉菌等的污染,产生的1-辛烯-3-醇和1-辛烯-3-酮具有典型的蘑菇气味[3]。酒香酵母(Brettanoomyces)污染的葡萄酒中,4-乙基苯酚和4-乙基愈创木酚含量较高,会导致葡萄酒出现马厩气味[4],降低葡萄酒的质量。此外,还有部分化合物只有在含量较高时才会破坏葡萄酒的香气平衡,产生令人不愉快的气味。例如,适量的双乙酰呈现令人舒适的奶酪或者黄油气味,能增加葡萄酒的风味复杂性并改善口感。然而,当双乙酰质量浓度超过5~7 mg/L时,就使得葡萄酒产生明显的馊饭味,降低葡萄酒质量[5],这些化合物值得葡萄酒在生产和研究时进行关注。

近年来,去除饮料酒中异嗅成分的研究和探索在不断开展[6]。例如,通过调节软木塞的生产和贮存条件,避免有害真菌的污染,可以有效控制葡萄酒中软木塞引起的霉味[1]。PRADELLES等[7]在研究中发现,酿酒酵母或酵母细胞壁可以吸附异嗅化合物土臭素,并通过最佳的工艺组合可以降低模拟酒中50%以上的土臭素。此外,葡萄酒生产中可以使用活性炭(未发酵的葡萄汁、白葡萄酒)、交联聚乙烯基吡咯烷酮材料等(Reg.EC No.606/2009)吸附剂来降低异嗅化合物的含量,但会使得葡萄酒香气化合物的含量下降明显,从而影响葡萄酒的风味[8]。一项研究表明,树脂被应用于去除白酒中的异嗅物质时,其效果优于硅藻土、膨润土和活性炭,但同样也较大地影响了白酒的风味[9]。而在近期的研究中,LI等[10]发现,中国古老的白酒陈酿容器陶坛的烧制材料,能吸附白酒中的挥发性化合物。陶制容器同样也是一种古老的葡萄酒陈酿容器[11],已有研究表明陶制材料的双耳瓶,能在陈酿中显著增强葡萄酒的矿物香气和品种香气[12]。但尚未有研究表明其是否能对葡萄酒异嗅物质存在去除作用。

减少异嗅是葡萄酒风味研究中重点关注的方向之一,对生产优质葡萄酒至关重要。在本研究中,通过顶空固相微萃取气相色谱质谱(headspace solid-phase microextraction-gas chromatography-mass spectrometry,HS-SPME-GC-MS)、液-液萃取-气相色谱-质谱联用(liquid-liquid extraction-gas chromatography-mass spectrometry,LLE-GC-MS)、定量描述性分析(quantitative descriptive analysis,QDA)等方法初步探究了不同容器陈酿后的葡萄酒中常见异嗅化合物的含量与感官变化,评估了陶坛对葡萄酒异嗅化合物的去除作用,旨在为陶坛在葡萄酒中的应用以及生产更优质的葡萄酒提供一定的数据支撑与理论依据。

1 材料与方法

1.1 材料与试剂

1.1.1 化学品

NaCl(分析级),国药集团化学试剂有限公司;异嗅化合物2-异丙基-3-甲氧基吡嗪(2-isopropyl-3-methoxypyrazine,IPMP)、3-异丁基-2-甲氧基吡嗪(3-isobutyl-2-methoxypyrazine,IBMP)、1-辛烯-3-醇、1-辛烯-3-酮、4-乙基苯酚(4-ethylphenol,4-EP)、4-乙基愈创木酚(4-ethylguaiacol,4-EG)、双乙酰、乙偶姻、乙醛、乙醛、乙酸)、内标化合物(d3-乙酸苯乙酯、d3-苯乙酮),均为色谱级,纯度>97%,Sigma-Aldrich公司;标准品在无水乙醇(色谱级)中制备,保存在-27 ℃冰箱。

1.1.2 葡萄酒和陈酿容器

用于实验的葡萄酒为赤霞珠酿造(2023,宁夏产区),酒精度为14.4%vol,游离SO2为25 mg/L,pH值为3.56。将异嗅化合物标品加入葡萄酒后(以下简称处理后),灌入到不同容器中进行陈酿。陈酿容器分别采用陶坛,以及目前生产中最常用到的橡木桶和不锈钢罐进行对比分析[13]。陶坛、橡木桶、不锈钢罐详细信息如表1所示。所有容器均为初次使用。陈酿环境为模拟地下酒窖的恒温恒湿箱,环境条件为16 ℃、80%湿度,陈酿时间为180 d。

表1 陈酿容器信息表

Table 1 Information of containers for aging

容器产地性质容积/L陶坛中国四川无釉10橡木桶法国中度烘烤10不锈钢罐中国山东304不锈钢10

1.2 仪器与设备

Exactive GC高分辨气相色谱质谱联用仪,美国Thermo Fisher公司;2 cm 50/30 μm DVB/CAR/PDMS固相微萃取三相头,美国Supelco公司;DB-FFAP毛细管柱,美国Agilent公司;organomation N-EVAP氮吹仪,上海安谱科学仪器有限公司;ZEISS Sigma 300扫描电子显微镜,德国ZEISS公司。

1.3 实验方法

1.3.1 异嗅化合物添加测试

参考先前研究的方法,通过三点选配法(three-alternative forced-choice,3-AFC)将处理(加入异嗅化合物标品)前后的葡萄酒进行比较[4],以评估处理后是否存在可察觉的感官特征,最终获得各特征气味显著的异嗅葡萄酒(表2)。品评员的筛选与培训参考课题组前期建立的方法[14]。品评小组最终由18名品评员(10名女性和8名男性,年龄18~24岁,均为江南大学的学生)组成。葡萄酒样品(10 mL)在室温(20 ℃)下装在透明的带盖品评杯中,并用随机的三位数代码编码。每组3杯样品中仅有1杯添加了异嗅化合物标品,并且呈现顺序在品评员之间随机分配,样品中添加的化合物标品稀释梯度为3倍。品评员们通过嗅闻葡萄酒,记录下存在感知差异的葡萄酒编号。以所有品评员可以感知到差异的最低质量浓度的均值为葡萄酒中最终添加后的质量浓度。

表2 葡萄酒中异嗅化合物的质量浓度

Table 2 Concentration of off-flavor compounds in wine

CAS号异嗅化合物名称异嗅描述词阈值/ μg/L 化合物质量浓度/ μg/L 处理后未处理25773-40-4IPMP生青0.002 0.49 0.0224683-00-9IBMP生青0.00550.560.013391-86-41-辛烯-3-醇蘑菇20277.4428.324312-99-61-辛烯-3-酮蘑菇0.038.110.76123-07-94-EP马厩440647.2054.562785-89-94-EG烟熏20100.0016.82431-03-8双乙酰馊饭1001408.00164.00513-86-0乙偶姻脂肪30a138.41a232.0075-07-0乙醛烂苹果10a13.48a10.4464-19-7乙酸醋酸300a1000.00a604.27a

注:a所标注阈值单位为mg/L;处理后所示质量浓度为各标品添加后的总质量浓度;阈值来源[17]

1.3.2 描述性分析

按照QDA方法[15],由上述18名品评员对陈酿前后葡萄酒进行气味强度评估。小组成员首先通过嗅闻所有的葡萄酒样品,依据其特征性和差异性,讨论筛选出8种气味描述词进行正式实验:果香、花香、烂苹果、醋酸、生青、馊饭、蘑菇、酚类,并进行对应的气味属性认同与强度培训。在正式实验中,小组成员以10分制进行气味强度打分,0分为未察觉到气味,10分为气味强度非常强,每个样品间隔30 s以上。

1.3.3 异嗅化合物的定性与定量

通过HS-SPME-GC-MS法检测异嗅葡萄酒陈酿前后的异嗅化合物含量(乙酸除外)。以15 mL顶空瓶为容器,葡萄酒酒样稀释至酒精度7%vol,每瓶分别加入样品5 mL、内标1 d3-乙酸苯乙酯(204.7 mg/L) 4 μL、内标2 d3-苯乙酮(204 mg/L)4 μL、NaCl 1.5 g,重复3组。GC升温程序如下:初温50 ℃,保持2 min,然后以5 ℃/min的速率升温至230 ℃,再以此温度保持15 min;载气He,流速2 mL/min;溶剂延迟5 min;不分流进样。MS条件:EI电离源,离子源温度230 ℃,电子能量70 eV,扫描范围m/z 35~500。

通过LLE-GC-MS法检测异嗅葡萄酒陈酿前后的乙酸含量。使用CH2Cl2作为萃取溶剂,以(3×50 mL)的规格萃取50 mL的样品。使用d3-乙酸苯乙酯作为定量内标,添加质量浓度同上。每次剧烈摇动10 min后加入NaCl溶液至饱和进行洗涤,分离后再加入无水硫酸钠进行过夜干燥。使用氮吹仪浓缩至500 μL,进样体积为1 μL,升温程序同上。

化合物定性:检索样品气相色谱图上的每个色谱峰,同时与NIST14和NIST05a普库检索匹配,选择匹配度前三的化合物作为初步鉴定结果。由相同条件下正构烷烃的出峰时间计算样品中化合物的保留指数(retention index,RI),与文献报道化合物RI值比对,结合初步鉴定结果筛选RI相差30内的化合物作为最终定性结果。最终与异嗅化合物标品比对,RI相差10以内,完成上述10种异嗅化合物的定性。

化合物定量:异嗅葡萄酒中异嗅化合物质量浓度采用外标法进行精确定量。化合物的标准曲线由8种不同质量浓度的坐标点构建,以内标与化合物质量浓度之比为X轴,以内标与化合物面积之比为Y轴,建立标准曲线。异嗅化合物质量浓度按公式(1)计算:

(1)

式中:Cx,异嗅化合物的质量浓度,μg/L;Ci,内标的质量浓度,μg/L;Sx,异嗅化合物的峰面积;Si,内标的峰面积;a,异嗅化合物标准曲线的斜率因子;b,异嗅化合物的标准曲线截距。

1.3.4 陶材料的表面孔径结构表征

使用锤子将陶坛敲击成碎片状,再使用粉碎机将其粉碎,过40目筛后,使用扫描电子显微镜(scanning electron microscope,SEM)观察陶粉的微观结构和表面形态。

1.4 数据处理

挥发性化合物统计等表通过Excel 2022完成;化合物含量柱状图等绘制均通过Origin 2022完成;单因素方差分析等数据分析通过SPSS 22完成。

2 结果与分析

2.1 3-AFC(three-alternative forced-choice)测试结果

本研究首先进行了3-AFC感官测试,对葡萄酒样品进行异嗅化合物加标,以获得可以明显感知到异嗅的葡萄酒,再进行陈酿实验。结果如表2所示,10种异嗅化合物在葡萄酒中可感知与识别到的质量浓度均远高于其阈值。气味化合物在其质量浓度大于阈值时才能被察觉到,同时其在不同体系下,还会受到非挥发成分、挥发成分相互作用的影响[16]

2.2 陈酿后异嗅化合物含量

经过180 d不同容器的陈酿后,采用HS-SPME-GC-MS结合LLE-GC-MS对葡萄酒中的10种异嗅化合物进行了精准定量分析,结果如图1所示,其中定量标曲信息如表3所示。图1可以看出,在检测的10种异嗅化合物中,除1-辛烯-3-醇外,其余9种异嗅化合物的含量均在陈酿前后或不同容器间出现显著差异(P<0.05)。这种差异性与先前的研究结果相似。MAIOLI等[18]在研究中发现,不同容器陈酿对红葡萄酒中香气化合物的影响不同。

a-IBMP;b-IPMP;c-4-EP;d-4-EG;e-乙偶姻;f-双乙酰;g-乙醛;h-乙酸;i-1-辛烯-3-酮;j-1-辛烯-3-醇

图1 陈酿前后的葡萄酒中异嗅化合物的含量柱状图

Fig.1 Histogram of the content of off-flavor compounds in wine before and after aging

注:同化合物不同字母间具有显著差异(P<0.05);原酒即添加异嗅标品后的未陈酿葡萄酒。

表3 葡萄酒中异嗅化合物的定量信息

Table 3 Quantitative information on off-flavor compounds in wine

异嗅化合物RICAS号定量离子 m/z 内标标准曲线R2线性范围/ μg/L 2-异丙基-3-甲氧基吡嗪 IPMP 143025773-40-4137d3-乙酸苯乙酯y=3.66x-25.520.9920.010~4323-异丁基-2-甲氧基吡嗪 IBMP 151524683-00-9124d3-乙酸苯乙酯y=0.44x-0.1280.9990.009~2001-辛烯-3-醇14523391-86-457d3-苯乙酮y=0.21x-0.0760.99910.94~224001-辛烯-3-酮12994312-99-655d3-苯乙酮y=1.48x-0.0020.9940.08~315.524-EP2200123-07-9107d3-乙酸苯乙酯y=1.96x-0.1250.9997.81~320004-EG20402785-89-9137d3-乙酸苯乙酯y=1.88x-1.060.99810.31~42240双乙酰988431-03-843d3-苯乙酮y=2.98x-0.040.99612.5~12800乙偶姻1300513-86-045d3-乙酸苯乙酯y=96489x-28.4250.993187.5~192000乙醛71875-07-029d3-苯乙酮y=971.725x-467.1750.9965.16~211200乙酸a147164-19-743d3-乙酸苯乙酯y=765.975x-13.9280.9968.203~16800

注:a所标注物质对应的线性范围质量浓度单位为mg/L。

在发生显著变化的9种异嗅化合物中,葡萄酒中的IPMP、IBMP经陶坛陈酿后含量显著下降,而其他陈酿容器中并未出现显著变化。IPMP与IBMP是葡萄酒中主要的甲氧基吡嗪类物质,在葡萄酒中呈现青椒、青草的气味,在高质量浓度时不仅会带来不愉快的植物气味,甚至掩盖水果香气,降低葡萄酒的质量[19]。目前而言,尚未有研究表明甲氧基吡嗪类物质在陈酿中存在分解途径,推测陶坛一定程度吸附了这2种化合物。

经过陈酿后,橡木桶葡萄酒中4-EP、4-EG的含量升高。4-EP和4-EG主要由Brettanoomyces类酒香酵母在葡萄酒中分解乙烯基衍生物产生[4],这种酒香酵母可能会存在于橡木桶的缝隙中,并且极难去除,从而使得该类化合物随着陈酿时间的延长而累积[20]。当累积到一定含量时,4-EP与4-EG会显著破坏葡萄酒的香气,使葡萄酒中酚类异嗅气味突出(如马厩等)[21]。与橡木桶不同,陶坛陈酿后的葡萄酒中4-EG显著降低,4-EP未出现显著变化。陶坛在避免酒香酵母污染的同时,可能也吸附了4-EG。

乙偶姻和双乙酰是葡萄酒酒精发酵过程中的典型副产物,在其含量过高时会使得葡萄酒具有突出的脂肪、馊饭气味,影响葡萄酒质量[5]。经陶坛陈酿后,葡萄酒中乙偶姻与双乙酰的含量显著降低。在葡萄酒中,双乙酰不稳定,易被还原成乙偶姻和2,3-丁二醇[22],这可能是3种容器中双乙酰均下降的共同原因。此外,陶坛对这2种发酵副产物的吸附作用也是可能存在的。陶坛显著降低了双乙酰、乙偶姻的含量,这可能会一定程度改善葡萄酒的整体香气,从而提高其质量。

乙酸和乙醛是葡萄酒中主要成分乙醇的氧化产物,其过量会使得葡萄酒香气过酸、带有不愉快的烂苹果或氧化气味[23]。橡木桶与陶坛均具有一定的透氧性,均能为乙醇的氧化提供条件。如图1-g~图1-h所示,橡木桶陈酿使得葡萄酒中乙醛、乙酸含量增加,这与已有研究相符[24],即微氧化加速了乙醛、乙酸的积累。但是,同样具有微氧化条件的陶坛,却让葡萄酒中乙醛含量增加缓慢,并减少了乙酸的含量。陶坛透氧率[0.004 mg/(L·d)]等于一般橡木桶的透氧率范围最低值[0.004~0.075 mg/(L·d)[25]],这可能是造成这种现象的原因之一,更低的透氧率减少了乙醇的氧化。此外,相较于原酒与不锈钢罐,陶坛葡萄酒中乙酸的含量减少也证实了陶坛吸附作用的存在。值得一提的是,陶坛除减少乙酸、乙醛直接的异嗅气味外,可能还会降低乙醛对其他感官缺陷的影响。例如,当乙醛含量高时,会增强葡萄酒饱和、不饱和以及Strecker醛类的蔬菜气味以及高级异戊醇的灼烧感等感官缺陷[26]

1-辛烯-3-酮和1-辛烯-3-醇具有典型的蘑菇气味[3],含量过高时会使得葡萄酒产生感官缺陷,降低质量。陶坛陈酿未对1-辛烯-3-醇的含量产生显著影响,但使得1-辛烯-3-酮显著降低。如图1-i~图1-j所示,陶坛似乎吸附了没有分解途径的1-辛烯-3-酮,但没有吸附1-辛烯-3-醇。因此,推测陶坛对化合物的这种吸附效果可能是有选择性的,可能与化合物的本身属性相关。

2.3 描述性分析结果

为验证不同容器陈酿对葡萄酒感官的影响,本研究通过感官评价小组对上述葡萄酒进行了描述性分析。结果如图2所示,经陶坛陈酿后的葡萄酒中醋酸、生青、酚类异嗅气味强度显著降低(P<0.05);馊饭气味强度极显著降低(P<0.01),这与先前定量检测结果一致。具有烂苹果气味的乙醛、蘑菇气味的1-辛烯-3-酮含量的降低并未使得葡萄酒出现对应感官上的显著变化。值得一提的是,陶坛陈酿后的葡萄酒的果香强度显著增加,这一结果似乎与陶坛材料对葡萄酒主要果香物质酯类同样存在吸附作用的事实不符[10]。事实上,陶材料容器陈酿后的葡萄酒果香更强已被孙文静等[11]证实。因此,陶坛陈酿后葡萄酒果香增强的现象可能与部分异嗅化合物的果香抑制作用减少有关。例如,4-EP和4-EG会抑制葡萄酒的果香[27-28],即便质量浓度低于其感知阈值。本研究中陶坛可能通过降低了4-EG的含量,从而降低了其对果香的抑制作用。

图2 陈酿前后的葡萄酒QDA雷达图

Fig.2 QDA radar of wine before and after aging

注:*P<0.05,**P<0.01。

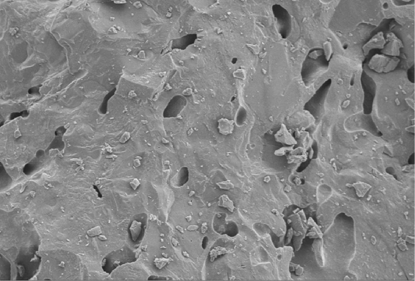
2.4 SEM检测结果

为验证本研究中陶坛材料的吸附相关属性,采用SEM对陶坛材料进行了检测。结果如图3所示,陶材料中存在较多的孔隙结构,但其孔径并不规则,难以计算其孔径大小。根据先前的研究,这种孔隙结构提供了气味化合物的吸附位点,从而发生吸附作用[10],这一定程度上解释了本研究中部分异嗅化合物在陈酿过程中含量减少的现象。相似地,在葡萄酒研究中,同样存在吸附作用的吸附剂能通过疏水相互作用、范德华键、氢键和π-π堆积等化学相互作用来减少异嗅化合物的含量[4],但尚未有研究报道陶坛吸附葡萄酒异嗅化合物的相关化学相互作用。李敏[29]在研究中指出,陶材料对白酒中挥发性化合物的吸附量取决于粒径大小或表面积,并且吸附挥发性成分的种类也因粒径而存在差异。事实上,粒径在一定程度上影响着表面积,并且考虑到本研究中采用的是陶坛而非颗粒性的陶粉,陶坛内表面积则可能是影响异嗅化合物吸附种类和吸附量的一大重要因素。在先前报道中,有人提出了黏土类容器的内表面积与容积之比可能会影响其向葡萄酒中释放金属离子的猜想[13]。因此,同为粘土容器的接触性的特性,异嗅化合物的吸附作用也可能和陶坛内表面积与容积之比有关,但目前尚未有研究验证这种猜想。此外,吸附过程中是否存在选择性以及陶材料种类如何影响吸附作用等问题也应当被考虑,有待进一步探索。

图3 陶坛材料的SEM图

Fig.3 SEM image of the clay jar material

注:放大倍数4 800×。

3 结论与讨论

本研究通过对不同容器(陶坛、不锈钢罐、橡木桶)陈酿葡萄酒中异嗅化合物的化学与感官进行分析发现,陶坛在降低异嗅化合物含量、减弱异嗅气味强度方面表现出独特的优势。陶坛陈酿显著降低了葡萄酒中IPMP、IBMP、1-辛烯-3-酮、4-EG、双乙酰、乙偶姻、乙酸、乙醛的含量,并在感官上有效减少了生青、醋酸、馊饭和酚类气味,同时增强了果香。经SEM检测验证,陶坛内表面存在可以提供吸附位点的孔隙结构。

其中,甲氧基吡嗪类化合物(IPMP和IBMP)的含量仅在陶坛陈酿后显著降低,这使得陶坛陈酿的葡萄酒青椒气味的强度显著降低(P<0.05)。这可能会降低甲氧基吡嗪类化合物在高质量浓度时带来的不愉快植物气味,并减弱其果香掩盖作用[19]。相比之下,橡木桶虽然能够赋予葡萄酒独特的橡木风味,但其易导致4-EP和4-EG的质量浓度显著升高,从而带来马厩等酚类异嗅气味[20]。陶坛陈酿减少了葡萄酒中4-EG的含量,保持了4-EP含量的稳定。结合感官结果,陶坛可以避免酒香酵母污染,并可能通过其孔隙结构吸附4-EG,减弱酚类异嗅气味强度(P<0.05)。此外,考虑到一些异嗅化合物在高质量浓度时存在的感官缺陷增强作用(如乙醛[26]),陶坛陈酿对葡萄酒的感官质量提升可能更有潜力。值得一提的是,陶坛在降低异嗅化合物含量与感知强度的同时,还显著增强了葡萄酒的果香(P<0.05)。尽管陶材料可能也会对果香酯类物质有一定的吸附作用,但文献表明,部分异嗅化合物(如4-EG和4-EP)会抑制葡萄酒果香的感知[27]。因此,陶坛可能通过降低这些异嗅化合物的质量浓度,间接提升果香强度,不过需要更多的研究进行佐证。总之,该研究为陶坛在葡萄酒陈酿中的应用提供了一定的数据支撑和理论依据,同时也为葡萄酒领域开发新型减少异嗅气味的方法、新型陈酿容器提供了参考方向。

参考文献

[1] WU J H,LIU Y,ZHAO H,et al.Recent advances in the understanding of off-flavors in alcoholic beverages:Generation,regulation,and challenges[J].Journal of Food Composition and Analysis,2021,103:104117.

[2] PRAT C,RUIZ-RUEDA O,TRIAS R,et al.Molecular fingerprinting by PCR-denaturing gradient gel electrophoresis reveals differences in the levels of microbial diversity for musty-earthy tainted corks[J].Applied and Environmental Microbiology,2009,75(7):1922-1931.

[3] GUERCHE S L,DAUPHIN B,PONS M,et al.Characterization of some mushroom and earthy off-odors microbially induced by the development of rot on grapes[J].Journal of Agricultural and Food Chemistry,2006,54(24):9193-9200.

[4] LISANTI M T,GAMBUTI A,GENOVESE A,et al.Treatment by fining agents of red wine affected by phenolic off-odour[J].European Food Research and Technology,2017,243(3):501-510.

[5] 屈慧鸽,肖波,冯志彬,等.葡萄酒酿造过程中双乙酰的形成因素分析[J].食品科学,2010,31(3):293-296.QU H G,XIAO B,FENG Z B,et al.A review of analysis of diacetyl-producing factors during wine brewing[J].Food Science,2010,31(3):293-296.

[6] XU Y Q,WANG X C,LIU X,et al.Discovery and development of a novel short-chain fatty acid ester synthetic biocatalyst under aqueous phase from Monascus purpureus isolated from Baijiu[J].Food Chemistry,2021,338:128025.

[7] PRADELLES R,CHASSAGNE D,VICHI S,et al.(-)Geosmin sorption by enological yeasts in model wine and FTIR spectroscopy characterization of the sorbent[J].Food Chemistry,2010,120(2):531-538.

[8] LISANTI M T,GAMBUTI A,GENOVESE A,et al.Earthy off-flavour in wine:Evaluation of remedial treatments for geosmin contamination[J].Food Chemistry,2014,154:171-178.

[9] 张灿,徐岩,范文来.不同吸附剂对白酒异嗅物质去除的研究[J].食品工业科技,2012,33(23):60-65.ZHANG C,XU Y,FAN W L.Removal of off-odors from Baijiu (Chinese liquor)with different adsorbents[J].Science and Technology of Food Industry,2012,33(23):60-65.

[10] LI M,FAN W L,XU Y.Volatile compounds sorption during the aging of Chinese Liquor (Baijiu) using Pottery Powder[J].Food Chemistry,2021,345:128705.

[11] 孙文静,吴明,张众等.无釉陶罐陈酿对贺兰山东麓‘赤霞珠’干红葡萄酒的影响[J].食品与发酵工业,2023,49(1):60-66.SUN W J,WU M,ZHANG Z,et al.Effects of aging in unglazed pottery pot on Cabernet Sauvignon dry red wine from the foot of Helan Mountain[J].Food and Fermentation Industries,2023,49(1):60-66.

[12] BAIANO A,VARVA G.Evolution of physico-chemical and sensory characteristics of Minutolo white wines during aging in amphorae:A comparison with stainless steel tanks[J].LWT,2019,103:78-87.

[13] WHITE W,CATARINO S.How does maturation vessel influence wine quality? A critical literature review[J].Ciência e Técnica Vitivinícola,2023,38(2):128-151.

[14] 李元一,邢可馨,张葆春,等.基于全二维气相色谱-飞行时间质谱及感官分析的中法白兰地香气特征研究[J].食品与发酵工业,2020,46(14):198-203.LI Y Y,XING K X,ZHANG B C,et al.Aroma characterization of Chinese and French brandy based on comprehensive two-dimensional gas chromatography/time-of-flight mass spectrometry and sensory analysis[J].Food and Fermentation Industries,2020,46(14):198-203.

[15] M C GACULA JR PH D.Descriptive Sensory Analysis in Practice[M].New York:John Wiley and Sons,2004.

[16] 师戈图,付建华,吴元,等.单宁对葡萄酒香气前鼻和鼻后阈值的影响[J].食品与发酵工业,2022,48(17):102-107.SHI G T,FU J H,WU Y,et al.Effect of tannins on the orthonasal and retronasal thresholds of wine aromas[J].Food and Fermentation Industries,2022,48(17):102-107.

[17] VAN GEMERT L J.Odour Thresholds:Compilations of odour threshold values in air,water and other media (Second enlarged and revised ed.)[M].The Netherlands:Oliemans Punter &Partners BV,2011.

[18] MAIOLI F,PICCHI M,GUERRINI L,et al.Monitoring of sangiovese red wine chemical and sensory parameters along one-year aging in different tank materials and glass bottle[J].ACS Food Science and Technology,2022,2(2):221-239.

[19] CHAPMAN D M,MATTHEWS M A,GUINARD J X.Sensory attributes of cabernet sauvignon wines made from vines with different crop yields[J].American Journal of Enology and Viticulture,2004,55(4):325-334.

[20] CHATONNET P,DUBOURDIE D,BOIDRON J N,et al.The origin of ethylphenols in wines[J].Journal of the Science of Food and Agriculture,1992,60(2):165-178.

[21] ROMANO A,PERELLO M C,DE REVEL G,et al.Growth and volatile compound production by Brettanomyces/Dekkera bruxellensis in red wine[J].Journal of Applied Microbiology,2008,104(6):1577-1585.

[22] 李凭,石婷婷,肖冬光.二次发酵降低葡萄酒中双乙酰的含量[J].中国酿造,2016,35(1):115-119.LI P,SHI T T,XIAO D G.Reduction of diacetyl in wine through secondary fermentation[J].China Brewing,2016,35(1):115-119.

[23] 张亚莲,柳菡,王岁楼,等.葡萄酒和软木塞中2,4,6-三氯苯甲醚检测方法的研究进展[J].食品科学,2014,35(15):304-309.ZHANG Y L,LIU H,WANG S L,et al.Progress in the detection of 2,4,6-trichloroanisole in wine and cork stoppers[J].Food Science,2014,35(15):304-309

[24] DAI L M,ZHONG K,CUI X Q,et al.Acetaldehyde accumulation during wine micro oxygenation:The influence of microbial metabolism[J].Food Control,2022,142:109227.

[25] SNCHEZ-GMEZ R,DEL ALAMO-SANZA M,NEVARES I.Volatile composition of oak wood from different customised oxygenation wine barrels:Effect on red wine[J].Food Chemistry,2020,329:127181.

[26] ARIAS-PÉREZ I,SENZ-NAVAJAS M P,DE-LA-FUENTE-BLANCO A,et al.Insights on the role of acetaldehyde and other aldehydes in the odour and tactile nasal perception of red wine[J].Food Chemistry,2021,361:130081.

[27] TEMPERE S,SCHAAPER M H,CUZANGE E,et al.The olfactory masking effect of ethylphenols:Characterization and elucidation of its origin[J].Food Quality and Preference,2016,50:135-144.

[28] SAN-JUAN F,FERREIRA V,CACHO J,et al.Quality and aromatic sensory descriptors (mainly fresh and dry fruit character) of Spanish red wines can be predicted from their aroma-active chemical composition[J].Journal of Agricultural and Food Chemistry,2011,59(14):7916-7924.

[29] 李敏.陶在白酒老熟过程中作用的初步探究[D].无锡:江南大学,2021.LI M.Preliminary study on the role of pottery in the aging process of Baijiu[D].Wuxi:Jiangnan University,2021.

Study on adsorption of off-flavor compounds in wine by Chinese clay jar

SHI Getu,CHEN Qiming,HAN Chengxu,XU Yan,TANG Ke*

(Key Laboratory of Industrial Biotechnology of Ministry of Education,Laboratory of Brewing Microbiology and Applied Enzymology,Jiangnan University,Wuxi 214122,China)

ABSTRACT This study analyzed the chemical and sensory changes of wine aged in different containers:Chinese clay jar,stainless steel tank,and French oak barrels.The results demonstrated that clay jar is particularly effective in adsorbing off-flavors in wine.Aging in clay jar significantly reduced the concentrations of off-flavor compounds such as 2-isopropyl-3-methoxypyrazine,3-isobutyl-2-methoxypyrazine,1-octen-3-one,4-ethylguaiacol,diacetyl,ethyl acetate,acetic acid,and acetaldehyde.Sensory evaluation showed a marked reduction in undesirable aromas,including green,acetic,rotten rice,and phenolic,while enhancing fruity notes.Scanning electron microscopy confirmed the presence of porous structures in the clay jar,which provided adsorption sites.This study provides scientific evidence for the application of clay jars in wine aging and the improvement of wine flavor,and offers valuable insights for the development of new aging vessels for wine.

Key words wine;clay jar;off-flavors;adsorption;sensory

DOI:10.13995/j.cnki.11-1802/ts.042381

引用格式:师戈图,陈启鸣,韩承旭,等.陶坛吸附葡萄酒常见异嗅化合物研究[J].食品与发酵工业,2025,51(23):133-139.SHI Getu,CHEN Qiming,HAN Chengxu,et al.Study on adsorption of off-flavor compounds in wine by Chinese clay jar[J].Food and Fermentation Industries,2025,51(23):133-139.

第一作者:硕士研究生(唐柯副教授为通信作者,E-mail:tandy81@jiangnan.edu.cn)

基金项目:宁夏回族自治区重点研发计划项目(2022BBF01003)

收稿日期:2025-02-16,改回日期:2025-04-04