小麦温度及硬度对磨粉效果的影响

杨小芬1,王凤成1*,SOTS Serhii2,王晓玲3,高奡翔3

1(河南工业大学 粮油食品学院,河南 郑州,450001)

2(惠民县宇东面粉有限公司,山东 滨州,251700)

3(青岛麦香园食品科技有限公司,山东 青岛,266700)

摘 要 为深入探究不同温度及硬度小麦磨粉后出粉率及面粉质量的变化,选用3种不同质地的小麦样品,通过改变小麦温度从-10~40 ℃,测试小麦硬度指数的变化规律,使用2种常用的实验磨对不同温度的小麦进行磨粉实验。通过测定并分析出粉率、损失率、麸皮出率、麸皮粒度特征、面粉灰分含量和白度等相关指标,结果表明,硬质麦的心磨出粉率和总出粉率最高;但皮磨出粉率、大麸出率及损失率最低。随着小麦温度的升高,小麦硬度指数和总出粉率显著下降,而麸皮出率、损失率、大片麸皮占比呈递增趋势,面粉白度呈递增趋势,面粉灰分含量呈先降后升的变化规律。综合分析表明,相较于软麦,硬质麦具有更好的磨粉特性,且当小麦温度在20 ℃左右时,可实现磨粉效果的最优化。因此实验结果可为制粉行业根据不同季节优化调整制粉工艺提供理论参考。

关键词 小麦温度;小麦硬度;实验磨粉;出粉率;面粉品质

小麦作为全球重要的粮食作物之一,其磨粉加工是食品工业的重要环节。小麦磨粉工艺的优化对于提升小麦资源利用率、保障食品安全以及提升企业经济效益具有关键意义。在制粉工艺中,温度是影响小麦研磨效果的关键因素之一。已有研究报道,冬季小麦加工困难,在研磨过程中,经常出现小麦破碎严重、麸皮易碎不完整、碎小麸屑混入到面粉里的情况[1]。刘涛[2]研究指出,面粉生产过程中的温度会直接影响小麦加水调质效果、润麦时间、制粉工段的研磨与筛理效果。LIU等[3]实验研究发现,过热蒸汽、湿热和微波3种小麦热处理方式均会导致小麦籽粒微观结构发生改变、硬度值降低,进而影响小麦的磨粉特性。MI[4]研究发现,小麦籽粒的硬度指数会随着干燥温度的升高呈下降趋势,最大降幅可达到15~20个小麦硬度指数值。陈云霞等[5]研究发现,使用蒸汽润麦后,小麦籽粒的温度急剧上升,出粉率先下降后上升,小麦粉中的微生物数量和酶活力也显著下降。KWEON等[6]研究表明,润麦时间相同的条件下,润麦温度25 ℃比45 ℃时的出粉率明显增高。刘明光[7]认为环境温度、润麦水温与小麦自身温度相互影响,共同决定小麦内部水分的迁移速度和效率,进而影响磨粉效果。翟静静等[8]实验发现,干燥后的小麦出粉率随烘干温度升高至125 ℃干燥后,出粉率显著降低。

目前,国内外关于温度对小麦磨粉影响的研究,仅限于调质温度调整和热处理方式等,而不同温度条件下小麦的磨粉效果及其对面粉品质的影响,尚未见相关研究报道。且不同硬度小麦在不同温度条件下的磨粉特性的差异尚不明确。因此,本研究选用软质、硬质和半硬质3种基本类型的小麦为原料,将小麦温度调制为-10、0、10、20、30、40 ℃,利用2种主流实验磨进行磨粉实验,研究分析小麦温度及硬度对磨粉效果和面粉质量的影响,为我国面粉工厂在不同季节的工艺优化提供技术支撑,以期获得更优的磨粉效果和面粉品质。

1 材料与方法

1.1 实验材料

扬麦15(软质小麦),润麦水分14%;青岛平度普麦(半硬质小麦),润麦水分15%;加拿大西红春小麦CWRS(硬质小麦),润麦水分16%。小麦样品基本品质指标如表1所示。

表1 小麦样品基本品质指标
Table 1 Basic quality indexes of wheat samples

小麦品种水分含量/%灰分含量(干基)/%白度硬度指数容重/(g/L)不完善粒/%扬麦1512.95±0.021.75±0.0348.01±0.0854.9±0.14777±0.463.61±0.06平度普麦13.94±0.111.80±0.0352.35±0.0464.1±0.07774±0.503.92±0.13加麦CWRS12.38±0.061.64±0.0048.29±0.0566.5±0.21814±0.631.64±0.13

1.2 实验仪器与设备

Quadrumat Jr型Brabender实验磨,美最时工业技术有限公司;MLU-202型三皮三心实验磨,瑞士布勒公司;JYDB型小麦硬度指数测定仪,无锡穗邦科技有限公司;RE-Y5013型红外线测温仪,浙江人民电器有限公司;HWS-300型恒温恒湿箱,宁波东南仪器有限公司;BD/BC-518DKM型美的电冰箱,合肥美的电冰箱有限公司;BLH-2810型筛选器,浙江伯利恒仪器设备有限公司;SX2-4-10A型马弗炉,余姚市金电仪表有限公司;MICGIA型色差计,日本佐竹公司。

1.3 实验方法

1.3.1 不同小麦温度调制

3种小麦样品分别调至-10、0、10、20、30、40 ℃不同的温度梯度。利用电冰箱(-10、0 ℃)和恒温恒湿箱(10、20、30、40 ℃)来实现温度的调控。将冰箱与恒温恒湿箱分别设定所需的温度,温度恒定后,把未经处理的待测小麦样品(25.00±0.01) g,倒入小样品袋内密封并均匀铺平放入其中,进行温度调制。处理时间均为30 min,隔15 min翻动1次小麦,使其充分受热受冷。

1.3.2 小麦籽粒硬度测定

依据GB/T 21304—2007《小麦硬度测定 硬度指数法》对温度处理后的小麦样品立即进行硬度测定。用小麦硬度指数来衡量小麦籽粒硬度随温度变化的情况。

1.3.3 小麦实验磨粉

1.3.3.1 润麦

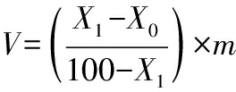
小麦样品润麦参考NY/T 1094.1—2006《小麦实验制粉 第1部分:设备、样品制备和润麦》,润麦采用常温水,润麦时间设定为24 h。扬麦15、青岛平度普麦、加拿大西红春小麦CWRS的润麦水分分别为14%、15%、16%。根据目标水分进行润麦,润麦加水量以V计,计算如公式(1)所示:

(1)

式中:V,加水量,mL;X0,原始水分,%;X1,所要达到的水分,%;m,样品质量,g。计算结果保留小数点后1位。

1.3.3.2 小麦温度调制

3种润麦后的小麦样品温度调制方法同1.3.1节。

1.3.3.3 Brabender Jr.实验磨粉方法

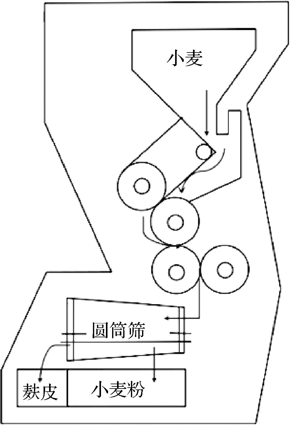
小麦实验制粉方法参考NY/T 1094.5—2006《小麦实验制粉 第5部分:Brabender Quadrumat Jr.(Quadruplex)实验磨法》,Brabender Jr.实验磨制粉流程如图1所示。实验室内磨粉条件为:温度21~23 ℃,相对湿度53%,下同。

图1 Brabender Jr.实验磨制粉流程
Fig.1 Brabender Jr.primary experimental milling process

1.3.3.4 布勒氏三皮三心实验磨粉方法

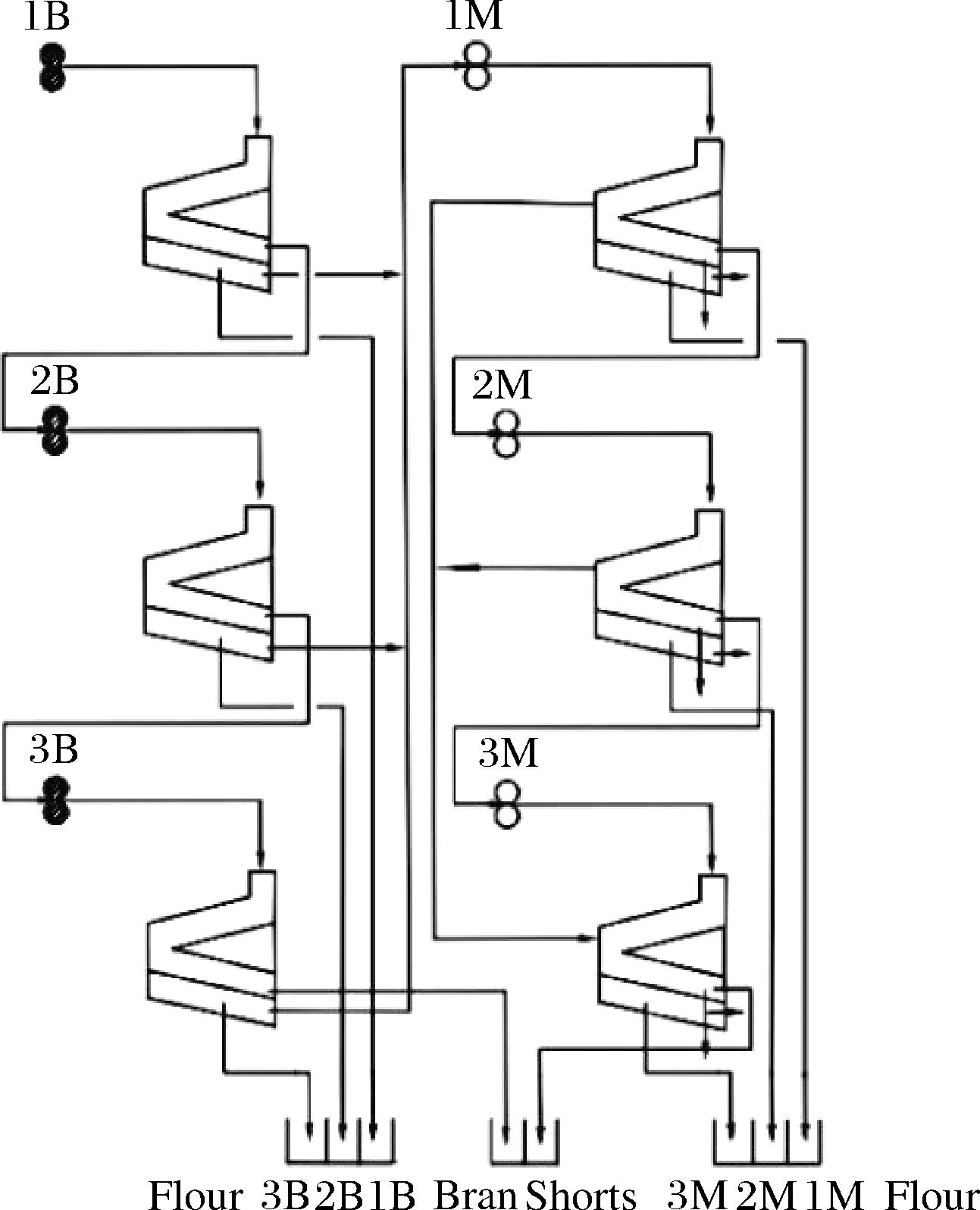
小麦实验制粉方法参考NY/T 1094.2—2006《小麦实验制粉 第2部分:布勒氏法 用于硬麦》和NY/T 1094.4—2006《小麦实验制粉 第4部分:布勒氏法 用于软麦统粉》,布勒氏实验磨制粉流程如图2所示。

图2 布勒氏三皮三心实验磨制粉流程
Fig.2 Buhler three-skin three-center experimental milling process

1.3.4 磨粉后麸皮大片占比的测定

Brabender Jr.实验磨所得麸皮和布勒氏实验磨所得大麸分别用20 W筛网筛分10 min,筛上物为大片麸皮,具体方式参考王琳琳[9]的实验方法。

1.3.5 磨粉后面粉灰分的测定

参照GB/T 5009.4—2016《食品安全国家标准 食品中灰分的测定》方法,采用550 ℃灼烧法测定。

1.3.6 磨粉后面粉白度的测定

使用色彩色差计进行测定,以L*a*b*表示面粉色泽,以亨氏白度表示面粉白度。白度计算如公式(2)所示:

(2)

式中:W,亨氏白度。

1.4 数据分析

实验指标均做3次及以上平行,用Excel及SPSS 20进行数据统计并分析,Origin 2024进行制图。

2 结果与分析

2.1 不同温度小麦的硬度测定结果

小麦硬度作为评价小麦磨粉品质的关键指标之一,在制粉过程中发挥着重要作用[10]。小麦硬度指数法能够快速、准确地判断小麦籽粒的硬度情况。一般来说,小麦硬度指数越大,表明小麦籽粒的硬度越高[11]。3种小麦籽粒硬度随温度变化趋势如表2所示。实验发现,随着小麦温度的逐步升高,3种小麦硬度指数小麦硬度指数值均呈现明显的下降趋势。这可能是由于在小麦温度上升的过程中,水分不断散失,进而导致淀粉和蛋白质之间的结构变得疏松,结构的紧密程度减弱,最终使得小麦籽粒的硬度逐渐降低。扬麦15(软麦)在整个温度变化过程中的硬度变化趋势更为显著。究其原因,或许是软质麦蛋白质含量相对较少,胚乳结构松散,使其籽粒硬度对温度变化更敏感,因为细微温度变化就能引起硬度明显的改变。

表2 不同小麦温度对籽粒硬度的影响
Table 2 Effects of different wheat temperatures on grain hardness

小麦温度/℃小麦籽粒硬度扬麦15(软麦)平度普麦(半硬麦)加麦CWRS(硬麦)-1056.9±0.5a65.6±0.2a67.9±0.8a055.1±0.3bc65.1±0.2b67.0±0.1b1055.7±0.2b64.5±0.1c66.6±0.1bc2054.3±0.5c64.2±0.2c66.2±0.1cd3053.1±1.0d63.6±0.3d65.9±0.1d4052.3±0.7d62.8±0.5e65.2±0.1e

注:表中数据为“平均值±标准差”,同列字母不同表示差异显著(P<0.05)(下同)。

2.2 不同温度小麦的磨粉结果

Brabender Jr.和布勒氏实验磨都属于辊式实验磨粉机,是实验室生产精制小麦粉的最常用设备,磨粉过程包括胚乳与麸皮的逐渐分离,随后胚乳颗粒尺寸逐渐减小,并伴随着研磨过程的筛分[12]。3种不同质地的小麦在不同温度下的磨粉结果如表3和表4所示。

表3 小麦温度对Brabender Jr.实验磨粉出率的影响
Table 3 Effect of wheat temperature on the milling yield of Brabender Jr.experiment

小麦品种小麦温度/℃出粉率/%麸皮出率/%损失率/%扬麦15(软麦)-1071.92±0.24ab26.65±0.14j1.43±0.10cdef070.23±0.32c28.29±0.04i1.47±0.29bcde1068.48±0.60de29.85±0.57h1.67±0.37bcde2066.22±0.34f31.77±0.55ef2.01±0.84bcd3062.92±0.22h32.86±0.32cd4.22±0.44a4061.26±0.21i34.11±0.68ab4.64±0.58a平度普麦(半硬麦)-1072.47±0.45a26.48±0.14j1.04±0.54def070.73±0.55c28.20±0.18i1.06±0.51def1068.53±1.54de29.98±1.33gh1.49±0.97bcde2065.34±0.92f32.31±0.98de2.35±0.73bc3064.18±0.37g33.36±0.32bc2.46±0.69bc4062.71±0.50h34.76±0.68a2.53±0.66b加麦CWRS(硬麦)-1072.15±0.06a27.42±0.25ij0.43±0.30f 071.11±0.28bc28.21±0.26i0.68±0.06ef1068.79±0.53d30.20±0.04gh1.02±0.49def2067.52±0.53e30.91±0.24fg1.57±0.51bcde3065.60±0.10f32.43±0.60cde1.97±0.50bcd4063.49±0.76gh34.20±0.95ab2.31±0.33bc

表4 小麦温度对布勒氏实验磨粉出率的影响 单位:%

Table 4 Effect of wheat temperature on milling yield in Buhler experiment

小麦品种小麦温度/℃皮磨出粉率心磨出粉率总出粉率大麸出率小麸出率损失率扬麦15(软麦)-1020.37±0.11d47.10±0.05h67.47±0.16f18.71±0.37d10.32±0.61e3.51±0.08bc021.04±0.18c46.22±0.09i67.25±0.08fg18.80±0.03d9.55±0.25f4.41±0.30ab1021.27±0.05c45.98±0.04i67.25±0.01fg19.34±0.13cd8.15±0.36g5.27±0.49a2021.41±0.06c45.82±0.08i67.23±0.02fg19.75±0.14c7.50±0.25g5.53±0.41a3021.93±0.22b45.16±0.63j67.08±0.41fg20.86±0.06b6.42±0.64h5.65±0.10a4022.49±0.14a44.45±0.31k66.94±0.45g22.10±1.35a5.48±0.11i5.49±1.90a平度普麦(半硬麦)-1016.70±0.11hi52.96±0.05e69.66±0.16c13.94±1.03jk14.34±0.37a2.07±0.83cde016.95±0.06gh52.68±0.08e69.63±0.03cd15.01±0.03hi13.15±0.11b2.22±0.11cde1017.37±0.08fg51.88±0.13f69.25±0.22de15.78±0.12fgh12.71±0.05b2.28±0.15cde2017.55±0.06ef51.59±0.14fg69.14±0.21e16.11±0.06fg12.40±0.11bc2.36±0.15cde3017.70±0.13ef51.39±0.08fg69.09±0.22e16.67±0.17ef11.77±0.24cd2.48±0.63cde4017.99±0.04e51.02±0.02g69.01±0.02e17.08±0.09e10.65±0.49e3.28±0.60bcd加麦CWRS(硬麦)-1015.30±0.06l57.56±0.29a72.85±0.06a13.66±0.30k12.46±0.59bc1.04±0.52e016.10±0.04k56.55±0.10b72.65±0.13a14.36±0.04ijk11.50±0.06d1.51±0.16de1016.15±0.13jk56.43±0.19bc72.58±0.06a14.49±0.00ijk11.38±0.12d1.56±0.18de2016.29±0.25ijk56.28±0.23bc72.56±0.06a14.56±0.06ijk10.52±0.06e2.36±0.37cde3016.32±0.53ijk55.94±0.53cd72.15±0.06b14.90±0.08hij10.14±0.42ef2.72±1.56bcde4016.62±0.10hij55.49±0.51d72.11±0.04b15.34±0.09ghi9.52±0.19f3.05±0.71bcd

数据显示,同一磨粉条件下,3种不同硬度的小麦总出粉率呈现:扬麦15(软麦)<平度普麦(半硬麦)<加麦CWRS(硬麦),即小麦籽粒的硬度越大其出粉率越高。这与柯惠玲等[13]和周艳华等[14]的研究发现,使用布勒氏和Brabender Jr.实验磨的出粉率与小麦硬度呈显著正相关的结果一致。表3和表4表明,随着小麦温度的升高,3种小麦的总出粉率都呈现下降趋势,产生这种结果的原因是,小麦温度的升高时,籽粒硬度降低,胚乳与麸皮不易分离,致使总出粉率降低。

表4显示,3种小麦使用布勒氏实验磨磨粉的皮磨出粉率呈现:扬麦15(软麦)>平度普麦(半硬麦)>加麦CWRS(硬麦),而心磨出粉率恰恰与此相反。且随着小麦温度的升高,3种小麦的皮磨出粉率逐渐升高,心磨出粉率逐渐降低,皮磨出粉率升高可能是因为小麦温度升高导致了籽粒硬度降低,软质小麦的胚乳与皮层结合不紧密,胚乳能够较好地与皮层分离,导致皮磨出粉率逐渐升高。在心磨系统中,主要处理的是从皮磨系统得到的较为纯净的胚乳颗粒。硬质小麦胚乳结坚实、硬度较高,在前期研磨过程中胚乳不易产生过多的损耗和破碎。进入心磨系统后,硬质小麦的这一特性得到了充分发挥,能够产出更多的小麦粉,因此硬质小麦的心磨出粉率高。但随着小麦温度的上升,小麦硬度减弱,心磨出粉率也随之降低。

随着小麦温度的升高,Brabender Jr.实验磨的麸皮出率以及布勒氏实验磨的大麸出率均逐渐升高,这是因为小麦温度升高后,麦皮在受到机械力作用时的韧性增加,不易被粉碎成细小的颗粒,从而更易形成较大的麸皮碎片(大麸)。由实验结果可知,总出粉率越高,其大麸出率就越低。WANG等[15]也曾实验发现,总出粉率与麸皮出率呈负相关。此外,布勒氏实验磨的小麸出率呈现:扬麦15(软麦)最小,平度普麦(半硬麦)接近于加麦CWRS(硬麦),即小麸出率与小麦籽粒硬度呈正相关。且随着小麦温度的升高,3种小麦的小麸出率均呈现明显的下降趋势,这可能是因为,温度升高造成了籽粒的硬度降低。籽粒硬度越大,小麦胚乳含量就越多,进而导致磨粉过程中的小麸出率增加。不同硬度小麦,其麸粉分离难易程度不同。硬质麦有更好的工艺性质,麦皮薄、胚乳硬,胚乳易与麸皮分离,出粉率高;软麦皮厚,胚乳与麦皮不易分离,麸皮较多,而出粉率低[16-17]

随着小麦温度的升高,3种小麦的损失率均呈现升高趋势,可能是因为小麦温度的升高造成籽粒硬度降低,变得难以粉碎且筛理效果欠佳,因此其损失率较高[18]。另外,布勒氏实验磨比Brabender Jr.实验磨的磨粉工艺路线长[19],因此在磨粉过程中的面粉残留更多,导致损失率更高。

2.3 不同温度对小麦磨粉后麸皮大小的影响

将3种不同温度的小麦用2种实验磨进行磨粉,所得到的麸皮经20 W筛网筛分,筛分后麸皮中的大片麸皮占比结果如图3所示。明显地,麸皮经筛分后,每种小麦的大片麸皮占比均随着小麦温度的升高逐渐增多。其原因是,当小麦温度低时籽粒硬度较大,表皮较脆而韧性较差,更容易被破碎,因而产生更多碎麸屑。而随着小麦温度的升高,小麦表皮韧性逐渐增强,不容易被破碎,因此更易产生较大片状的麸皮。程敏等[20]也研究发现,随着实验温度的降低,小麦皮层的脆性逐渐增强,会逐渐由弹塑性材料转变为脆性材料,进一步肯定了此结论。实验结果还可以看出,扬麦15(软麦)的麸皮经筛分后,其麸皮中大片占比比另2种小麦要高,尤其在0 ℃及以下低温条件时更为明显。正如GREFFEUILLE等[21]的实验研究显示,不同硬度的小麦,其麸皮的机械性能存在显著差异,软质小麦籽粒的麸皮延展性更高、韧性更大,因此在受到外力作用时,能通过自身弹性形变来减少破碎的可能性。总而言之,在气温较低时给小麦适度加热,能有效提高麸皮的完整度,减少麸屑混入小麦粉中,从而提升小麦粉的应用品质。

a-Brabender Jr.实验;b-布勒氏实验

图3 不同温度小麦经不同实验磨粉后所得麸皮筛分后大片麸皮占比
Fig.3 The proportion of large bran after screening of wheat bran obtained by different experimental at different temperatures

注:不同小写字母表示差异显著(P<0.05)(下同)。

2.4 不同温度小麦对磨粉后面粉灰分的影响

面粉灰分含量的高低,在一定程度上是面粉纯度和加工精度的直观体现。一般而言,面粉灰分越低,表明在加工过程中去除的麸皮越彻底。不同温度小麦经Brabender Jr.和布勒氏实验磨磨粉后面粉灰分的变化如图4所示。

a-Brabender Jr.实验;b-布勒氏实验

图4 不同温度小麦经不同实验磨粉后面粉灰分变化
Fig.4 Changes of ash content in wheat flour after milling at different temperatures by different experiment

3种小麦在使用2种实验磨粉设备处理时,面粉灰分含量及其变化也存在着差异。使用Brabender Jr.实验磨生产的面粉灰分含量高于布勒氏实验磨,这可能是因为不同设备的研磨力度和工艺路线有一定差别,导致麸皮破碎程度和与面粉分离程度不同,进而影响面粉灰分含量。实验结果显示,3种小麦面粉灰分含量均随着小麦温度的升高出现了先降低再升高的趋势。在0 ℃及以下时,小麦温度较低,籽粒硬度较大,皮层脆性大,极易破碎成细小的麸屑,导致此时面粉灰分较高。麸屑混入面粉是造成面粉灰分高的主要原因,因此在制粉过程中,应注意表皮的破碎程度,若表皮破碎过多,会导致面粉灰分增高[22]。小麦温度在20 ℃时,每种小麦磨粉后面粉的灰分含量都达到最低,可能的原因是在此温度下,麸皮和胚乳更容易分离,减少麸皮混入面粉,从而降低了面粉的灰分。当小麦温度在30 ℃及以上时,面粉灰分会升高,可能是因为温度升高导致小麦内部水分部分蒸发,灰分主要成分是矿物质等无机物质,水分减少使得矿物质等在面粉中的占比相对增加,从实验数据上看,就表现为面粉灰分含量升高。

2.5 不同温度小麦对磨粉后面粉白度的影响

面粉白度是衡量面粉外观品质的一项重要指标,它反映了面粉的色泽和纯净程度。3种小麦在不同小麦温度条件下,经不同实验磨进行磨粉后,面粉白度的变化情况如图5所示。

a-使用Brabender Jr.实验磨;b-使用布勒氏实验磨

图5 不同温度小麦对磨粉后面粉白度的影响
Fig.5 Effect of different temperature wheat on flour whiteness after milling

数据显示,3种不同硬度的小麦磨粉后面粉白度呈现:扬麦15(软麦)>平度普麦(半硬麦)>加麦CWRS(硬麦),可知小麦硬度与面粉白度呈反比。王冠颖等[23]的研究也得到了与此相近的结论。DZIKI等[10]发现硬质小麦的麸皮层通常比软质小麦的麸皮层更容易被磨碎。除此之外,小麦种皮颜色也是影响面粉颜色的重要原因。扬麦15(软麦)和加麦CWRS(硬麦)同属红麦类别,而平度普麦则属于黄白麦品种。小麦种皮内蕴含着一定含量的色素物质,在制粉环节中,这些种皮里的色素不可避免地会有部分混入到面粉当中,进而对面粉最终呈现出的色泽产生影响。实验发现,随着小麦温度的升高,经磨粉获得面粉的白度值逐渐升高。可能是因为,随着小麦温度升高,小麦籽粒及其皮层变软,因而在研磨时更有利于麸皮与胚乳的分离,且皮层不易粉碎,麸皮混入面粉的几率降低,进而面粉的白度提升。

另外,使用Brabender Jr.实验磨粉后的面粉白度值随着小麦温度的升高变化趋势更加显著。而使用布勒氏实验磨时,3种小麦粉其白度值随着温度的变化趋势并不明显。可能是因为布勒氏实验磨的研磨强度稳定,不会因小麦温度升高而使小麦皮层破碎程度发生明显变化,进而对面粉的白度值影响较大。

3 结论

本研究对不同温度下的3种不同小麦样品,进行硬度测试,并使用2种常用的实验磨进行磨粉实验。结果表明,硬质小麦的心磨出粉率和总出粉率最高,而皮磨出粉率、大麸出率及损失率最低,软质小麦与之相反。随着小麦温度的逐步上升,小麦硬度指数和总出粉率呈现显著的下降趋势,而损失率、麸皮出率以及大片麸皮占比,均随着小麦温度的上升呈现递增趋势。面粉的白度值随小麦温度升高而提高,面粉灰分含量呈现出先下降后上升的变化趋势。当小麦处于0 ℃及以下低温时,小麦硬度显著增大,因此磨粉后出粉率明显增高,但在该较低温度条件下磨制出的面粉灰分含量较高,白度也较低。当小麦温度达到30 ℃及以上时,磨制出的面粉白度相对较高,但出粉率呈现降低、损失率升高。综合分析,硬质麦的磨粉特性优于软质麦,温度控制在20 ℃左右时,进行磨粉所获得的整体效果最佳。本研究揭示了小麦温度变化对磨粉效果的重要影响规律,对制粉行业在不同季节优化调整制粉工艺,从而提升出粉率和面粉质量具有重要意义,为制粉行业的高质量发展提供了关键参考依据。

参考文献

[1] 林海. 冬季小麦加工的症结与对策[J].面粉通讯, 2005, 19(2):19-20.LIN H.Consideration and procedure of wheat processing in winter[J].Flourmilling, 2005, 19(2):19-20.

[2] 刘涛. 温度湿度对制粉效果的影响[J].现代面粉工业, 2017, 31(3):11-13.LIU T.Influence of temperature and humidity on milling effect[J].Modern Flour Milling Industry, 2017, 31(3):11-13.

[3] LIU Y X, JIA Z Y, LI M M, et al.Heat treatment of wheat for improving moisture diffusion and the effects on wheat milling characteristics[J].Journal of Cereal Science, 2023, 114:103806.

[4] MI A, GRUNDAS S.Influence of the moistening and drying of wheat grain on its hardness[J].International Agrophysics, 2004, 18:47-53.

[5] 陈云霞, 郭晓娜, 朱科学, 等.蒸汽润麦对小麦粉微生物指标和理化特性的影响[J].中国粮油学报, 2019, 34(10):1-6;15.CHEN Y X, GUO X N, ZHU K X, et al.Effect of wheat tempering with steam on microorganisms and physicochemical property of wheat flour[J].Journal of the Chinese Cereals and Oils Association, 2019, 34(10):1-6;15.

[6] KWEON M, MARTIN R, SOUZA E.Effect of tempering conditions on milling performance and flour functionality[J].Cereal Chemistry, 2009, 86(1):12-17.

[7] 刘明光. 小麦加工工艺对面粉品质的影响研究[J].中外食品工业, 2024(10):10-12.LIU M G.Study on the influence of wheat processing technology on flour quality[J].Global Food Industry, 2024(10):10-12.

[8] 翟静静, 张德鹏, 马清香, 等.干燥温度对高水分小麦加工和应用品质的影响[J].中国粮油学报, 2024, 39(7):52-61.ZHAI J J, ZHANG D P, MA Q X, et al.Effects of drying temperature on processing and application quality of high-moisture wheat[J].Journal of the Chinese Cereals and Oils Association, 2024, 39(7):52-61.

[9] 王琳琳. 预皮磨对小麦及小麦粉品质的影响研究[D].郑州:河南工业大学, 2023.WANG L L.Study on the effect of prebreak on qualities of wheat and wheat flour[D].Zhengzhou:Henan University of Technology, 2023.

[10] DZIKI D, LASKOWSKI J. Wheat kernel physical properties and milling process[J]. Acta Agrophysica, 2005, 6(1): 59-71.

[11] 罗蓰超, 杨忠宝, 叶敢兰.JYDB100×40小麦硬度指数测定仪操作研究[J].粮食科技与经济, 2018, 43(4):42-43.LUO X C, YANG Z B, YE G L.Study on the operation of JYDB100 × 40 wheat hardness index tester[J].Grain Science and Technology and Economy, 2018, 43(4):42-43.

[12] DZIKI D.The latest innovations in wheat flour milling:A review[J].Agricultural Engineering, 2023, 27(1):147-162.

[13] 柯惠玲, 胡秋林, 潘从道. 试用布拉班德磨测定小麦出粉率的研究[J]. 武汉粮食工业学院学报, 1990(2): 1-6.KE H L, HU Q L, PAN C D. The Research on the measurement of the yield of wheat flour in Brabender test mill[J]. Journal of Wuhan Institute of Food Industry, 1990 (2): 1-6.

[14] 周艳华, 何中虎, 阎俊, 等.中国小麦品种磨粉品质研究[J].中国农业科学, 2003, 36(6):615-621.ZHOU Y H, HE Z H, YAN J, et al.Characterization of milling quality in Chinese common wheat[J].Scientia Agricultura Sinica, 2003, 36(6):615-621.

[15] WANG K, TAYLOR D, RUAN Y F, et al.Unveiling the factors affecting milling quality of durum wheat:Influence of kernel physical properties, grain morphology and intrinsic milling behaviours[J].Journal of Cereal Science, 2023, 113:103755.

[16] 纪玉洁, 纪建海, 王彦霞.小麦物理性质对出粉率的影响[J].粮食加工, 2015, 40(5):12-14.JI Y J, JI J H, WANG Y X.Effect of physical properties of wheat on flour yield[J].Grain Processing, 2015, 40(5):12-14.

[17] TIAN X L, WANG X X, MA S, et al.Effect of different milling mechanical forces on the structures and properties of wheat flour[J].International Journal of Food Science &Technology, 2022, 57(4):1945-1953.

[18] 王一畅, 胥伟, 孙威, 等.进口硬质小麦品质特性与硬度指数的关系探讨[J].食品科技, 2019, 44(8):158-162.WANG Y C, XU W, SUN W, et al.Discussion on the relationship between quality characteristics and hardness index of the imported hard wheat[J].Food Science and Technology, 2019, 44(8):158-162.

[19] 王凤成, 刘青海, 李文革.小麦实验磨粉系统的研发[J].粮油加工与食品机械, 2004(12):48-49;51.WANG F C, LIU Q H, LI W G.Research and development of experimental milling system[J].Machinery for Cereals, Oil and Food Processing, 2004(12):48-49;51.

[20] 程敏, 刘保国, 刘彦旭.低温对小麦麸皮拉伸力学特性参数的影响[J].农业工程学报, 2019, 35(13):312-318.CHENG M, LIU B G, LIU Y X.Effect of low temperature on tensile mechanical properties of wheat bran[J].Transactions of the Chinese Society of Agricultural Engineering, 2019, 35(13):312-318.

[21] GREFFEUILLE V, MABILLE F, ROUSSET M, et al.Mechanical properties of outer layers from near-isogenic lines of common wheat differing in hardness[J].Journal of Cereal Science, 2007, 45(2):227-235.

[22] 李林轩, 李硕, 王晓芳.小麦制粉中研磨效果与设备操作[J].粮食加工, 2016, 41(6):27-30.LI L X, LI S, WANG X F.Grinding effect and equipment operation in wheat milling[J].Grain Processing, 2016, 41(6):27-30.

[23] 王冠颖. 小麦面粉白度差异的BSA和转录组分析及候选基因预测[D].泰安:山东农业大学, 2023.WANG G Y.BSA and transcriptome analysis of wheat flour whiteness differences and prediction of candidate genes[D].Tai’an:Shandong Agricultural University, 2023.

Effect of wheat temperature and hardness on milling effect

YANG Xiaofen1,WANG Fengcheng1*,SOTS Serhii2,WANG Xiaoling3,GAO Aoxiang3

1(College of Food Science and Engineering, Henan University of Technology, Zhengzhou 450001, China)

2(Huimin Yudong Flour Co.Ltd., Binzhou 251700, China)

3(Qingdao Maixiangyuan Food Technology Co.Ltd., Qingdao 266700, China)

ABSTRACT In order to deeply investigate the changes of flour yield and flour quality after milling wheat with different temperatures and hardnesses, three wheat samples with different textures were selected, and the change rule of wheat hardness index was tested by changing the wheat temperature from -10 to 40 ℃, and milling experiments were carried out on wheat with different temperatures by using two commonly used experimental mills.By determining and analysing related indexes such as flour yield, loss rate, bran out rate, bran particle size characteristics, as well as flour ash content and whiteness, the results showed that durum wheat had the highest heart milling yield and total flour yield;but the lowest skin milling yield, large bran out rate and loss rate.With the increase of wheat temperature, wheat hardness index and total flour yield decreased significantly, while the bran out rate, loss rate, and the proportion of large pieces of bran showed an increasing trend, flour whiteness showed an increasing trend, and the ash content of the flour was the change rule of decreasing and then increasing.Comprehensive analysis shows that compared with soft wheat, durum wheat has better milling characteristics, and when the wheat temperature is around 20 ℃, the milling effect can be optimised.Therefore, the experimental results can provide theoretical reference for the milling industry to optimally adjust the milling process according to different seasons.

Key words wheat temperature;wheat hardness;experimental milling;flour yield;flour quality

DOI:10.13995/j.cnki.11-1802/ts.042698

引用格式:杨小芬,王凤成,SOTS Serhii,等.小麦温度及硬度对磨粉效果的影响[J].食品与发酵工业,2026,52(1):336-342.YANG Xiaofen,WANG Fengcheng,SOTS Serhii, et al.Effect of wheat temperature and hardness on milling effect[J].Food and Fermentation Industries,2026,52(1):336-342.

第一作者:硕士研究生(王凤成教授为通信作者,E-mail:wangxiaoling74@163.com)

基金项目:山东省“外专双百计划”项目(WST2020028)

收稿日期:2025-03-13,改回日期:2025-04-11